Zár Elzett 4320 PZ 45/90
- Leírás és Paraméterek
- Termék értékelések
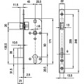
Elzett N°4320/PZ cilinderes zár.
Hengerzárbetétes, reteszes és csapdás, kétcsukású bevésőzár.
Egyszerűen átállítható balosról jobbosra.
Szerkezet: nikkelezett előlap, festett zárszekrény.
Könnyű ajtókba, háztartási használatra ajánljuk! (Nagy terhelésre nem alkalmas.)
A klasszikus N°3420-as zár modernizált, könnyített megfelelője, teljesen csereszabatos vele.
A hajlított zárlemezzel.
A zárbetét nem tartozék!
1996 óta a piacon vagyunk, folyamatosan fejlesztünk, trendeket követünk
75 beszállítóval, széleskörü termékskálával dolgozunk>
Óriási raktárkészletünk van, biztosan megtalálja a kívánt terméket
Magánszemélyeket is kiszolgálunk
Asztalosok, konyhastudiók és viszonteladó partnerek kiszolgálása







